System 이란?
System은 하나의 신호를 다른 신호로 매핑(mapping) 또는 변형(transform)하는 규칙
System 표현 (기술, representation)
이를 기술하는 가장 좋은 방법은 다음 두가지임.
- impulse response (h) 를 이용한 표현
- impulse response (h) 가 주어질 경우, convolution을 이용하여 (zero-state) output signal을 구할 수 있음.
- 외부 입력(=impulse)에 대한 system response 제공(=zero-state response).
- 입력이 인가되기 전의 system 내부 상태에 의한 system response(=zero-input response)는 알 수 없음.
- differential equation로 표현.
- 초기조건을 포함한 differential eq.은 system의 완전한 동작특성을 기술할 수 있음.
- Dynamic System 의 수학적 표현!
- Instantaneous System 의 경우 derivatives의 coefficient가 모두 0 인 단순 대수 방정식(algebraic equation)이 됨.
- 대부분 시스템의 전달 함수 (혹은 freq. response)를 구하는데 differential equation이 사용됨.
- 물리적으로 다음의 여러 소자들을 사용하여 구현됨 : "integrator", "adder or subtractor", "scalar multiplier".
- 초기조건을 포함한 differential eq.은 system의 완전한 동작특성을 기술할 수 있음.
시간 함수로 표현된 신호를 처리하는 system ▶ ordinary differential eq.으로 나타내어짐.
- linear 시스템 ▶ linear differential eq.
- Time invariant 시스템 ▶ 상수계수(constant coefficient)만을 가지는 differential eq.
Linear Time Invariant System은 Linear Constant Coefficient Differential Equation으로 표현된다.
2023.10.03 - [.../Signals and Systems] - [SS] System and Differential Equation
[SS] System and Differential Equation
Differential Equation으로 System을 기술할 경우,초기조건을 포함한 differential eq.은 system의 완전한 동작특성을 기술할 수 있음.complete solution을 구하기 위해 필요한 초기조건의 갯수는 order의 수만큼임.Im
dsaint31.tistory.com
Linear Constant Coefficient Differential Equation (LCCDE) for LTI System
LTI System을 나타내는 Linear Constant Coefficient Differential Equation의 standard form은 다음과 같음.
$$\dfrac{dy^n(t)}{dt^n}+a_{n-1}\dfrac{dy^{n-1}(t)}{dt^{n-1}}+a_{n-2}\dfrac{dy^{n-2}(t)}{dt^{n-2}}+\dots+a_{1}\dfrac{dy(t)}{dt}+a_0y(t) \\ = b_{m}\dfrac{dx^{m}(t)}{dt^{m}}+b_{m-1}\dfrac{dx^{m-1}(t)}{dt^{m-1}}+b_{m-2}\dfrac{dx^{m-2}(t)}{dt^{m-2}}+\dots+b_{1}\dfrac{dx(t)}{dt}+b_0x(t)$$
이를 미분연산자 $D$를 사용하여 표기하면 다음과 같음.
$$D^ny(t)+a_{n-1}D^{n-1}y(t)+a_{n-2}D^{n-2}y(t)+\dots+a_1Dy(t)+a_0y(t) \\=b_mD^mx(t) + b_{m-1}D^{m-1}x(t)+\dots+b_1Dx(t)+b_0x(t)$$
- 주의할 것은 leftside의 가장 높은 order의 항(term)의 coefficient는
1이라는 점임.
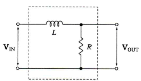
가장 전형적인 예로 다음의 LR Circuit (low-pass filter)을 기술하는 Differential Equation은 다음과 같음.

여기서 $x(t)=V_\text{IN}$이고 $y(t)=V_\text{OUT}$이라고 하면 Kirchhoff's Voltage Law (KVL)에 의해 다음이 성립함.
$$L\dfrac{di(t)}{dt}+Ri(t)=x(t) \tag{1}$$
또한 $y(t)$는 저항 $R$에 걸리는 voltage이므로 다음이 성립함.
$$y(t)=Ri(t) \rightarrow i(t)=\dfrac{1}{R}y(t) \tag{2}$$
위의 오른쪽 등식의 양변을 미분하면 다음이 성립함.
$$\dfrac{di(t)}{dt}=\dfrac{1}{R}\dfrac{dy(t)}{dt} \tag{3}$$
식2,3을 식1에 대입하면 다음의 differential equation이 유도됨.
$$L\dfrac{1}{R}\dfrac{dy(t)}{dt}+y(t)=x(t)$$
표준형으로 만들기 위해 가장 높은 order의 coefficient를 1로 만들려면 $\dfrac{R}{L}$을 곱해주면 됨.
$$\dfrac{dy(t)}{dt}+\dfrac{R}{L}y(t)=\dfrac{R}{L}x(t)$$
위의 differential equation이 바로 LR circuit을 기술하는 differential equation임.
참고하면 좋은 URL
2023.04.17 - [.../Math] - [Math] Differential Equation 용어.
[Math] Differential Equation 용어.
하나 이상의 Derivative( 도함수, derived function)가 포함된 equation (Dynamic System의 수학적 표현).Ordinary Differential Equation상미분방정식독립변수가 한 개인 경우.$\dfrac{dy}{dx}$ 형태의 derivative.Partial Differentia
dsaint31.tistory.com
2023.08.22 - [.../Signals and Systems] - [SS] RLC Circuit & Differential Eq
[SS] RLC Circuit & Differential Eq
다음의 RLC회로를 미분방정식으로 풀기 위의 회로에서 입출력 및 초기조건은 다음과 같음. input : $x(t) = 10e^{-3t}u(t)$ (voltage) output : $y(t)$ (current) initial condition : $y(0)=0$, $V_c(0)=5$ $u(t)$ : unit step function.
dsaint31.tistory.com
2023.10.19 - [.../Signals and Systems] - [SS] Convolution with an shifted impulse
[SS] Convolution with an shifted impulse
0. shifted impulse와 convolution은 결국 shifting 연산임$t_0$로 shifting을 시킨 impulse function $\delta(t-t_0)$과의 convolution은결국 같은 $t_0$만큼 signal을 shifting하는 것으로 볼 수 있음.$$f(t)*\delta(t-t_0) = f(t-t_0)$$$*$
dsaint31.tistory.com
'... > Signals and Systems' 카테고리의 다른 글
| [SS] RL Circuit : differential equation 으로 풀기. (1) | 2023.10.02 |
|---|---|
| [SS] System Response (1) | 2023.10.02 |
| [SS] Impulse Response란 : (0) | 2023.09.21 |
| [SS] Complex Exponential Signals (0) | 2023.09.19 |
| [SS] 주기 신호의 합에서의 주기 (Period) (0) | 2023.09.07 |