Demultiplexer and Multiplexer (Demux and Mux)
1. Demultiplexer
The demultiplexer is a combinational logic circuit designed to
switch one common input line
to one of several seperate output line.
- demux라고 줄여서 부름.
- 1개의 입력을 여러 출력 중 하나로 연결!
- Decoder에 다음과 같이 몇가지 gate를 추가하여 만들 수 있음.

Decoder 참고 자료.
2022.12.08 - [Computer/CE] - [CE] Binary Encoder and Decoder
[CE] Binary Encoder and Decoder
Binary Encoder and Decoder 1. Binary (or Priority) Encoder Priority Encoders take all of their data inputs one at a time and converts them into an equivalent binary code at its output. 1-1. Combinational logic circuit (4:2 encoder) OR gate를 이용한 간
dsaint31.tistory.com
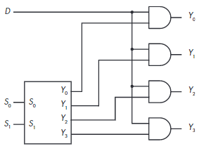
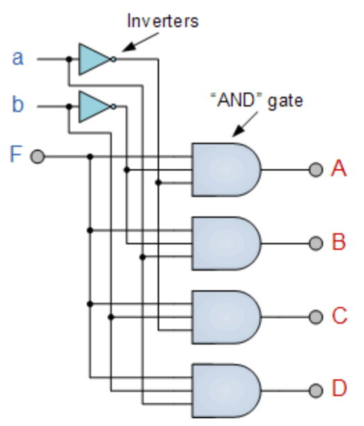
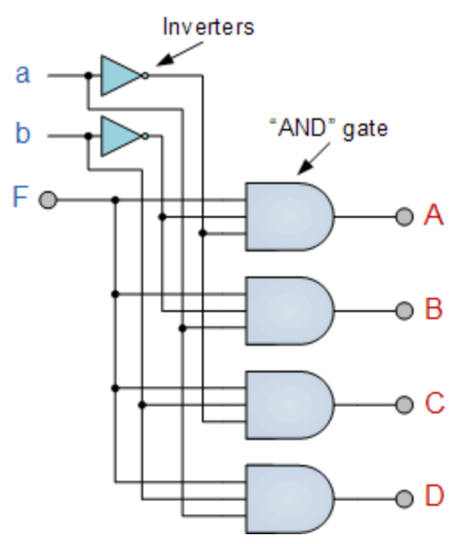
1-1. combinational logic circuit : $1\times 4$ DEMUX

- $2\times 4$ Decoder 와 AND를 이용한 $1 \times 4$ Demux
- 위의 그림에서 `F`가 앞서 decoder를 이용한 예에서 `D`에 해당하고, `a`와 `b`는 $S_0$, $S_1$에 해당
input `F`를 `a`,`b`의 입력에 따라, 어느 출력으로 전달할지가 결정이 된다.
Schemetic diagram은 다음과 같음. **

2. Multiplexer
The multiplexer is a combinational logic circuit designed to
switch one of several input lines
to a single common output line.
- 다른 이름으로 selector라고도 불림.
- 여러 입력 중 하나를 출력으로 연결.
- 줄여서 mux라고도 부름.
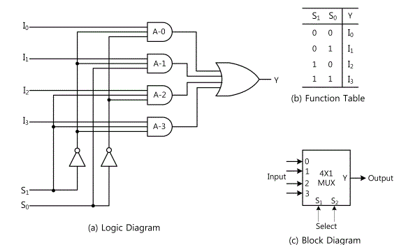
2-1. combinational logic circuit : $4\times 1$ MUX
S1과 S2의 값에 의해, 출력이 어떤 입력값과 연결될지가 결정됨.

decoder로 보다 간략히 나타낼 수 있음. (S1이 c1으로, S0가 c0로 변경되어 표기되었을 뿐임)
- demux에 AND gate들을 추가하여 구현한 것으로도 볼 수 있음.

Schemetic diagram은 다음과 같음. ***

같이 읽어보면 좋은 자료들
2022.12.08 - [Computer/CE] - [CE] Binary Encoder and Decoder
[CE] Binary Encoder and Decoder
Binary Encoder and Decoder 1. Binary (or Priority) Encoder Priority Encoders take all of their data inputs one at a time and converts them into an equivalent binary code at its output. 1-1. Combinational logic circuit (4:2 encoder) OR gate를 이용한 간
dsaint31.tistory.com
https://dsaint31.me/mkdocs_site/CE/ch03_seq/ce03_02_1_memory1/#memory-with-address
BME228
memory 기초 Memory Component 보다 많은 bit를 기억하기 위해서는 register들을 많이 사용해야하는데, 이 경우 어느 register에 저장할지를 지정해야하고, 이를 다시 load할 때도 어느 register에서 load할지를
dsaint31.me
'Computer > CE' 카테고리의 다른 글
| [CE] (Logic) Gates (0) | 2022.12.08 |
|---|---|
| [CE] Combinatorial Circuit or Combinatorial Logic Circuit (0) | 2022.12.08 |
| [CE] Binary Encoder and Decoder (0) | 2022.12.08 |
| Hub, Switch, Router, 공유기(NAT장비) (0) | 2021.10.26 |
| Operating System (OS, 운영체제)란 (0) | 2021.10.14 |